-

[精品推荐]小小DrDAQ数据博士板,与电脑智能组合为多功能测试仪
无需外接电源,DrDAQ通过USB端口简单直接插到PC电脑,就可成为数据记录仪、数字示波器、信号发生器、环境检测仪表、化学和生物试验设备。
-

[应用文章]什么叫做微欧计?微欧计工作原理是什么?
微欧计也叫数字微欧计,是一种测量低值电阻的数字式仪表。它的基本原理是:利用直流恒流源在被测电阻Rx上产生直流电压降Ux,然后通过电压放大和A/D转换器变为数字显示的电阻值。
-

[精品推荐]测试连接线个性化定制,您的专属之选
虽说世界上没有两片完全相同的树叶,但是流水线生产出来的产品却是别无二致的,这既是对高效率的追求,也是对产品高品质的保证。但是对于测试行业的研究工作而言,批量化的生产往往难以满足因为测试环境、测试工作的特
-

[应用文章]直接数字合成(DDS)信号发生器概述
DDS信号发生器逐渐成为主流信号发生器,该技术简明易懂,同时具有稳定的频率和较小的失真。任意波形发生器是DDS信号发生器的衍生产品,在DDS结构中,正弦波信号数据位于存储器中。如果波形信号按预计要求载入存储器就构成
-

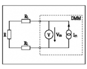
[应用文章]两线制电阻和四线制电阻测量的定义
仪器在测量未知电阻R时,要通过测试线向被测电阻发送电流,然后测量被测电阻R两端的压降,同时测试线的电阻RL也会产生较小的压降。在测量阻值较小(1kΩ)的电阻时,使用仪器的补偿模式来补偿电缆电阻将更为有利。
-

[选型指南]HM8118一款超值的台式LCR电桥
本文介绍一款超强的台式自动测量电桥HM8118,作为同档次的代表产品,其精度高(基本0.5%)、功能多,特别适合研发、生产、维护和教学。
-

[应用文章]如何HM8118电桥进行直流电压/电流偏置测量?
北京海洋兴业科技股份有限公司是电子测试行业领先的综合服务商,提供电子测试测量仪器仪表的销售、系统集成、技术开发和维修维护在内的4S综合服务。
-

[常见问题]怎样完美使用HM8118电桥?
一般情况下,HM8118台式LCR 电桥(与同等价位的LCR表一样)由实部和虚部的复合量确定,这意味着考虑元件的阻抗和相角。这些值是通过测量传导到DUT被测设备上的交流电流来确定。基于阻抗(X轴)和相位角(角度Θ),该设备可以
-

[常见问题]HM8118电桥操作一问一答
HM8118台式LCR电桥(以及所有其它同加温的LCR表)由复合量确定,这意味着连接元件的阻抗和相角。这些值是通过测量被传导到DUT上的交流电流来确定。
-

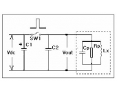
[应用文章]线圈元件的脉冲测试技术
预先对储能电容C1 充电,充电电压为仪器设定得最大电压,以一极短暂的时间将开关SW1 合上,在SW1 合上器件,由于C1≥C2,C1 快速对C2 充电,经过一段时间后SW1 断开。









QQ客服