-
概述
-
订货信息
-
资料库
-
相关产品
柔性分辨率、高性能和高速电脑示波器
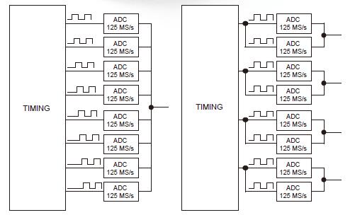
柔性分辨率 - 从8至16位大多数数字示波器实现它们高采样率的方法是时间-交叉多个8位ADC。尽管经过精心设计,这种交叉式处理还是会引入错误,使动态性能始终劣于单个ADC核的性能。
新型PicoScope 5000系列示波器具有显着不同的架构,它的多个高分辨率ADC通过不同的时间交错应用到输入通道,还通过并行组合来增加采样率或分辨率。
在时间交错模式下,通过交错ADC来提供8位分辨率下的1GS/s采样率。交错减少ADC的性能,但是产生的结果(60dB SFDR)仍然明显好于交错8位ADC的示波器。这种模式在12位分辨率下也能提供500MS/s采样率(见图1)。
在并行模式下,多个ADC在每个通道上相位性取样,以增加分辨率、提高动态性能和减少噪音。使用并行模式,分辨率被增加到125MS/s采样率下每通道14位(70dB SFDR)。如果只需要2个通道,那么分辨率可以提高到15位。在单通道模式下,所有ADC被组合起来,可在62.5MS/s采样率下提供16位分辨率。软件给你两种选择:选分辨率或选示波器保持“自动分辨率”模式,把最高可能分辨率用于所选择的设置。
前端设计
Pico有20多年高分辨率示波器研发经验,但即使这样,开发新的模拟前端支持示波器能够在不同分辨率之间切换,也是一项严峻挑战。要求精心设计以支持高分辨率模式(低噪音、低失真和带宽平坦),同时保持必需的带宽、转换速度和脉冲响应以满足更快的8位模式。
便携又强大
Pico Technology示波器小巧轻便。在2通道模式下,5000系列示波器只需USB供电。这点对于外出使用的工程师非常实用。使用3或4个通道时才需要外部电源。5000系列示波器适用于很多领域,例如设计、研发、测试、教育、服务和维修。
|
|
![]() |
PicoScope 5000系列示波器使用多个高分辨率ADC,以交错式或同时模式实现低噪音采样,分辨率从8位至16位可调。
按产品分类

















