-

[应用文章]利用吉时利高功率系统数字源表®源测量单元(SMU)仪器对功率半导体器件进行
本文重点是对静态功率器件参数进行特性分析。这些参数可以分为两类:一类在器件处于导通状态时决定其性能,另一类在器件处于关断状态时决定其性能。
-

[应用文章]利用大功率数字源表构建多源测量单元(SMU)系统
功率半导体器件的设计确保:在开启(ON)状态下,它能够为负载提供大量功率,而自身却消耗最小的电源功率(高效率);在关闭(OFF)状态下,它向负载提供的功率几乎为零,同时自身也消耗最小的电源功率(高效率)(待机电
-

[应用文章]用2600B系列源表SMU和MSO/DPO-5000系列示波器简化DC-DC转换器特性分析
本文说明了如何利用一台双通道2600B系列源表SMU和一台泰克的MSO/DPO-5000或DPO-7000系列示波器简化DC-DC转换器测试。专为上述示波器开发的DPOPWR应用软件支持常用电源管理器件参数的测量和分析。图1示出了DC-DC转换器测试的标准配置。
-

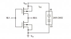
[应用文章]用2600系列数字源表进行IDDQ测试和待机电流测试
CMOS集成电路(CMOS IC)和电池供电产品的制造商需要测量静态(或“待机”)电源电流用于验证生产测试质量。
-

[应用文章]使用2280S系列高精度测量直流电源实现脉冲电流测
当今,越来越多的集成电路和电子零件被设计用于移动应用中,这意味着该电路将使用电池供电,并且只有有限的电源提供给它们。
-

[应用文章]利用2280S系列高精度直流电源进行低电流测量
本应用笔记探讨了对低功耗待测器件(DUT)进行低电流测量的两种不同方法:一是将电源、高精度数字多用表及待测器件进行串联,二是使用高精度测量电源。应用笔记详细介绍了怎样配置2280S系列高进度测量直流电源,实现高精度低
-

[应用文章]使用多通道电源提供最大的灵活性
大多数设备都需要多个DC电源在不同的电压下工作,以便为所有的模拟和数字电路子系统供电。在开发和测试过程中,可以使用多个单通道电源用于每个电路部分的供电
-

[应用文章]确保电源性能满足需求
您需要了解电源的功率包络,这样电源才能在电压和电流参数提供满足您工作所需的功率。对于生成或测试微弱电平信号的电路开发、特性分析和测试,电源设计拓扑的选择及共模电流调查的是必需的,这样,电源才不会影响电路
-

[应用文章]利用2260B系列电源模拟铅酸电池
我们生活的各个方面都离不开电池。电池应用范围广泛,从手机和玩具等消费电子产品到交通、通信和功率控制等工业应用
-

[应用文章]如何使用HM8118电桥进行无源分立器件的筛选和限值判定?
在元件生产和大量元件需要测试和比较时,工作人员可能有许多问题困惑着自己:(1)怎样校验元件质量?(2)怎样使用定义的极值来机械分类元件?(3)怎样提高工人在元件筛选过程中的效率?(4)怎样保证筛选的质量避免以次充好?(









QQ客服